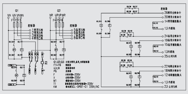
电源系统转换装置(S型)是实现两进线一母联的进线电源间转换的系统装置,其由执行断路器、机械联锁、控制器和电气联锁电路等部件组成(如下图所示)。智能型自动转换控制器是电源系统转换装置(S型)的控制中心,控制器通过控制线与三台执行断路器相连接,实现对供电电源的检测、执行断路器的状态检测和控制;控制器按设定的程序自动控制完成电源间的转换。电源系统转换装置(S型)具有控制系统的逻辑互锁、控制线路电气联锁和执行断路器间的机械联锁,确保电源系统安全转换。
产品符合标准GB/T14048.2
控制器实时检测两路电源电压,当电源电压出现失压、欠压或过压时,立即发出相应的报警并启动转换工作程序等;其过压、欠压、转换延时、返回延时、手动操作、自投自负/自投不自复选择、通讯波特率、地址等设置可通过液晶显示画面和按键相结合来实现。
控制器类型:电网-电网型
控制器自动控制逻辑流程
电网-电网型自投自复状态

电网-电网型自投自复功能逻辑图
电网-电网型自投不自复状态

电网-电网型自投不自复功能逻辑图
控制器外形尺寸和开孔尺寸
控制器开孔尺寸228X114.
控制器外形尺寸:

电源系统转换装置电气原理


